產品中心
SRY焊接Y型過濾器主要由主管、支管、濾筒、法蘭、法蘭蓋及緊固件等組成,當流體通過主管進入濾筒后,固體雜質顆粒被阻擋在濾筒內,而潔凈的流體通過濾筒由過濾器出口排出。當需要清洗時,旋開支管底部螺塞,排凈流體,拆卸法蘭蓋,取出濾筒,清洗后重新裝入即可,因而廣泛應用于石油、化工、污水等方面的過濾。
一、SRY焊接Y型過濾器主要技術參數表
|
序號 |
零件名稱 |
材料名稱 |
|
1 |
閥體 |
碳鋼、不銹鋼或按客戶要求 |
|
2 |
濾芯網 |
不銹鋼絲網 |
|
3 |
濾網精度 |
按客戶要求 |
|
4 |
法蘭標準 |
HG5010-58 |
|
5 |
公稱壓力 |
按客戶要求 |
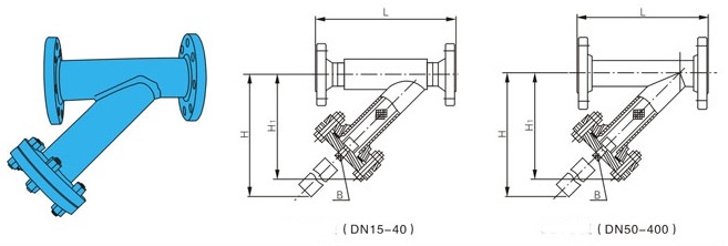
二、SRY焊接Y型過濾器主要外型尺寸表

|
型號 |
公稱通徑 |
L |
H |
H1 |
B |
重量(Kg) |
|
SRY-III |
DN15 |
260 |
280 |
181 |
R3/8” |
6.5/7.6 |
|
DN20 |
280 |
308 |
205 |
R3/8” |
7.5/9.9 |
|
|
DN25 |
290 |
322 |
215 |
R3/8” |
8.8/11.3 |
|
|
DN40 |
300 |
354 |
246 |
R3/8” |
13.7/17.5 |
|
|
DN50 |
320 |
367 |
250 |
R1/2” |
17.8/24.8 |
|
|
DN65 |
340 |
382 |
273 |
R1/2” |
21.4/27.1 |
|
|
DN80 |
380 |
438 |
305 |
R1/2” |
27.2/38.6 |
|
|
DN100 |
450 |
532 |
362 |
R3/4” |
42.6/63.2 |
|
|
DN150 |
580 |
636 |
437 |
R3/4” |
73.1/111.5 |
|
|
DN200 |
700 |
750 |
519 |
R3/4” |
125.4/185.1 |
|
|
DN250 |
800 |
877 |
605 |
R3/4” |
202.7/289 |
|
|
DN300 |
950 |
1061 |
727 |
R1” |
305.7/429 |
|
|
DN350 |
1050 |
1250 |
820 |
R1” |
|
|
|
DN400 |
1250 |
1482 |
900 |
R1” |
|
客戶訂貨須知
尊敬的客戶!如果你要的產品使用場合非常重要或環境比較復雜時,請您盡量提供設計圖紙和詳細參數,由我們工奧閥門公司的專業工程師為您審核選型。
如有任何疑問您可以致電我們,我們將為您提供最優質的售前咨詢服務。
感謝你一直以來對我們公司的持續關注http://diguamiao.com